Duurzaamheid door Innovatieve Technologie

Ravebo is een toonaangevende fabrikant van op maat gemaakte natte scrubbersystemen en installaties voor de vermindering van schadelijke gasemissies in de industrie.

Ervaart u uitdagingen?
Neem contact met ons op
De verticale scrubber

De verticale scrubber

Optimalisatie van gasreiniging met de verticale scrubber: een revolutionaire benadering van dampterugwinning

De verticale scrubber

De verticale scrubber is een kolom waarin het gas direct wordt geabsorbeerd door middel van een tegenstroom sproeisysteem om willekeurige vullingen te irrigeren. De damp komt aan de onderkant binnen via een halve pijp om een laminaire luchtstroom te verkrijgen. De willekeurige vullingen (Pall ringen) vergroten het contactoppervlak, met als doel een beter absorptieproces tussen het gas en het wasmedium te creëren. De sproeikop om de vullingen te spoelen is een niet-verstoppend volledig conisch type.

Revolutionaire Voordelen

Ontdek de revolutionaire voordelen van scrubbers en breng uw bedrijf vooruit met onze gratis whitepaper download.

Revolutionaire Voordelen

Ontdek de revolutionaire voordelen van scrubbers en breng uw bedrijf vooruit met onze gratis whitepaper download.

Begrip van Scrubberconstructies

Begrip van Scrubberconstructies

Een Uitgebreide Gids

Begrip van Scrubberconstructies

Verken de complexiteit van scrubberconstructies in deze uitgebreide gids. Duik in de details van schoepenseparatoren, draadgaas demisters, open sproeisystemen, holle en volle kegelspuitmonden, en gevulde bed scrubbers. Begrijp de unieke kenmerken en toepassingen van deze systemen, die essentieel zijn voor efficiënte gas- en deeltjescheiding in industriële omgevingen. Krijg inzicht in de technische en operationele principes achter deze geavanceerde milieutechnologieën.

Voor gedetailleerde informatie kunt u de webpagina hier bezoeken.
Voltooide Projecten

Voltooide Projecten

Ontdek Onze Projectmatrix

Voltooide Projecten

Bezoek onze pagina Voltooide Projecten, waar u een selectie van onze succesvol uitgevoerde projecten kunt verkennen. Onze interactieve matrix toont verschillende soorten scrubbers, waaronder gasscrubbers, stofscrubbers en geurscrubbers. Deze matrix is georganiseerd op basis van industrie, proces, emissietype en andere belangrijke parameters, waardoor u een uitgebreid overzicht krijgt van onze expertise en mogelijkheden.

Of u nu geïnteresseerd bent in de luchtvaart, chemicaliën, voedselverwerking of groene energie, u vindt gedetailleerde informatie over hoe onze maatoplossingen specifieke milieuproblemen effectief aanpakken. Elke vermelding bevat het type gebruikte scrubber, de betrokken materialen en de geïmplementeerde procesanalysers, wat onze toewijding aan op maat gemaakte, efficiënte en duurzame oplossingen illustreert. Duik in de matrix om te zien hoe wij klanten in diverse industrieën hebben geholpen schonere emissies en verbeterde milieucompliance te bereiken.
Bekijk het zelf

Zien is Geloven

Een Toonbeeld van Onze Expertise en Innovatie

Wij geloven sterk in het tonen van tastbaar bewijs van ons vermogen om complexe problemen op te lossen en unieke oplossingen te creëren. In deze sectie - "Zien is Geloven" - presenteren we met trots onze gerealiseerde projecten. Elk project is een bewijs van onze expertise, innovatie en de effectiviteit van onze industriële scrubbers bij het verwijderen van in water oplosbare anorganische verontreinigingen.

Of het nu gaat om een tegenstroom-, kruisstroom- of meeloop scrubberconfiguratie, we hebben keer op keer onze competentie en bekwaamheid bewezen. Van gevulde torens en traykolommen tot open sproeikolommen, ons brede scala aan oplossingen toont onze inzet voor kwaliteit, efficiëntie en milieuvriendelijkheid.

Stap in onze wereld en zie de transformatie die we teweegbrengen met onze geavanceerde en zorgvuldig gekalibreerde gaszuiveringssystemen. Uw reis naar een schonere, veiligere en duurzamere industriële operatie begint hier.

Reiniging van de rookgassen van braadovens met een tweetraps luchtwasser om de geurhoudende vetdampen en (stof)deeltjes te verminderen.

Horizontale chemische wasser met drie wassecties voor de verwijdering van vetbakdampen.

Een op maat gemaakte verticale PP-wasser voor een gasstroom van 8.500 Nm3/h, speciaal geconfigureerd voor de verwijdering van geur- en smaakstoffen.

Een roestvrijstalen dompelkolom voor de effectieve koeling van het procesgas.

Compleet scrubber systeem voor een veilige en betrouwbare verwijdering van corrosieve dampen uit beitsleidingen.

Op maat gemaakte verticale scrubber met Siemens PLC voor het verwijderen van stofdeeltjes en waterstoffluoride uit een pyrolyseproces..

Open was PP-scrubber ontworpen voor een binnenopstelling voor de vermindering van fijne stofdeeltjes uit een afzuigluchtstroom.

Roest scrubber kolom voor dampterugwinning bij het laden en lossen van tankschepen op een tankpark.

Horizontale gaswasser om de emissie van zetmeel uit een drooginstallatie te voorkomen binnen de toegestane milieueisen.

Een stofwasser om natriummetabisulfiet (MBS) in een uitlaatgassysteem te verminderen.

Een roestvrijstalen verticale scrubber die op maat is ontworpen voor de verwijdering van acrylzuur uit een procesgasstroom.

Een compleet scrubber systeem dat is geconfigureerd voor de scheiding van AMD en ACN uit een spoelstroom.

Project voor de optimalisatie van een bestaande geurwasser voor het opvangen van de uitstotende geur van tabak.

Polyethyleen verticale wasser geconfigureerd met een quench voor het verwijderen van geur- en smaakstoffen.

Tegenstroom rechthoekige horizontale gaswasser (scrubber) om dampen van een braadoven te zuiveren.

Compleet chemisch scrubber systeem bestaande uit een horizontale, rechthoekige behuizing van AISI 316L ter vermindering van vetdampen in de food to feed sector

scrubber installatie op een tankpark voor de terugwinning van dampen die ontsnappen uit een pijpleidingsysteem van tank naar tank en van tank naar vrachtwagen.

Vermindering van ultrafijne silicaatdeeltjes uit een processtroom met een scrubbersysteem.

Horizontale polypropyleenwasser met geïntegreerde buffertanks om zure dampen te verwijderen uit een gasstroom van een beitslijnsysteem.

Verticaal polyethyleen gaszuiveringssysteem (gasscrubber) met pallringen om zure deeltjes uit een dampterugwinningssysteem te verwijderen.

Een op maat gemaakt AISI 316L alkaline wasser met een open sproeisysteem om zure gassen uit een pyrolyse oven te verwijderen.

De verticale scrubber is een kolom met willekeurige pakkingen (Pall-ringen) om methanoldeeltjes uit een ontluchtingssysteem te verwijderen.

Een volledige explosieveilige gaszuiveringsinstallatie bestaande uit drie verticale kolommen in serie voor de verwijdering van ethyleenoxide.

Groot scrubbersysteem met centrifugaalpompen, waterbehandelingssysteem en chemisch doseersysteem dat wordt aangestuurd door Siemens PLC om geuren te verwijderen

Een complete horizontale tegenstroom nh3-scrubberinstallatie ter vermindering van emissies en geur veroorzaakt door ammoniak en vluchtige organische stoffen.

Drietraps tegenstroom scrubber installatie horizontale uitvoering, buitenopstelling, voor de verwijdering van een hoge ethanolconcentratie uit een gasstroom.

Horizontale, explosieveilige polyethyleenwasser voor het verwijderen van zoutzuur uit het einde van een pijpsysteem.

Verwijdering van waterstofcyanide met een PP meertraps-wasinstallatie, compleet met chemische dosering en PLC-systeem.

Scrubbers gebaseerd op een waswaterrecirculatie over een verticale AISI 316L schrobber om zeer fijne stofdeeltjes te verwijderen.

Verticale gaswasser op basis van een open sproeisysteem voor het verwijderen van zetmeeldeeltjes uit een gasstroom om stofemissie te voorkomen.

Quench- en gaswassersysteem geconstrueerd als een meertraps- en kolomsysteem om dampen uit een verbrandingsinstallatie te verwijderen.

De tegenstroom gaswasser voor het verwijderen van stofdeeltjes heeft een rechthoekige behuizing van roestvrij staal 316L.

Chemical scrubber for reduction of fine dust fluorine particles from a gas flow

Ravebo biedt hoogwaardige natte wassersystemen voor de reductie van schadelijke gasemissies en geuren in de industrie.

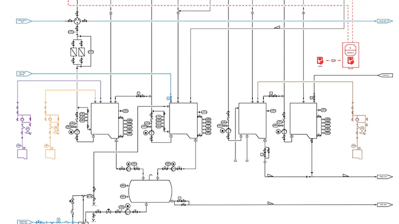
Kies voor een top-presterend scrubber systeem van Ravebo, met ondersteuning op afstand, schijfscheiding en cloud-gebaseerde gegevensopslag voor betrouwbaarheid.

Neem contact op met onze scrubberspecialist

Verhoog uw industriële processen met onze geavanceerde natte gaswassers. Onze specialist staat klaar om u te begeleiden naar efficiëntie, productiviteit en milieunaleving. Neem nu contact met ons op voor deskundig advies, maatwerkoplossingen en snelle reacties. Laten we vandaag nog uw perfecte scrubberoplossing vinden.

Neem contact met ons op